Démontage bras oscillants arrière

ici tout ce qui est relatif aux trains roulants, suspension, roulements, freins

Modérateur : Modérateurs

Répondre
luke
Nouveau
Messages : 29
Enregistré le : mercredi 22 déc. - 15:00
Localisation : 29 - Cleden cap sizun

Démontage bras oscillants arrière

Message par luke »

Bonjour à tous,

Tout est dans le titre ...
Comment démontez vous les bras oscillant AR ?
Y'a pas moyen j'y arrive pas :'(
Merci et bonne journée .
Avatar du membre
Barbassu
Membre d'Honneur
Membre d'Honneur
Messages : 13456
Enregistré le : samedi 26 mai - 12:13
Localisation : 83 - La Sagno de mar

Re: Démontage bras oscillants arrière

Message par Barbassu »

luke a écrit :Bonjour à tous,
Salut

Tout est dans le titre ...
Comment démontez vous les bras oscillant AR ?
Y'a pas moyen j'y arrive pas :'(
Merci et bonne journée .
C'est quand même inquiétant cette propension qu'on certains de ne surtout pas regarder dans le forum avant de poser des questions.

C'est à se demander pourquoi certains se cassent le c.l à faire des post it, et dans le cas présent à obtenir de VW l'autorisation de mettre à la disposition des T3zonard, leurs manuels de réparations.

Donc, Elviscox54 a mis à disposition le manuel d'atelier Châssis - Suspension dans lequel tu trouveras réponses aux questions que tu poses. Yellow_Flash_Colorz_PDT_09



Je vais encore me faire engeu... pour ce type de réponse, mais p..tain une bonne fouille du forum n'a jamais tué personne. Yellow_Flash_Colorz_PDT_14
Comme des coqs de combat, ils se dressent sur leurs ergots et montrent les dents
Quand la biche est aux abois, les cors sonnent l'alibi.
Les puces sont porteurs des plus dangereuse maladies. C'est pourquoi, quand un bateau arrive, il faut procéder à son dépucelage.
"La foire aux cancres" Jean-Charles. 1962
luke
Nouveau
Messages : 29
Enregistré le : mercredi 22 déc. - 15:00
Localisation : 29 - Cleden cap sizun

Message par luke »

Bonjour Barbassu,
Navré de t'avoir fait perdre ton temps .
Et merci pour l'info .
J'ai pourtant cherché ... mais le résultat des recherches n'était pas pertinent et souvent n'avais pas grand chose à voir ... :)
Bref, je suis d'accord, j'ai du mal me démerder ... et je n'ai pas regardé les post-it ...
Tu remarqueras que j'ai quand même posté dans la bonne catégorie :p
@+
luke
Nouveau
Messages : 29
Enregistré le : mercredi 22 déc. - 15:00
Localisation : 29 - Cleden cap sizun

Message par luke »

Bon,
Déjà merci pour cet Doc Elviscox54 . Indispensable !
J'ai tout de même une question .
Je ne trouve pas ma réponse dans la doc .
Comment faites vous pour extraire les boulons de fixation des bras de guidage arrière ? Ceux fixant le bras de guidage aux paliers-supports ?
Les miens sont comme soudés (par la rouille ? je suppose) au pallier central des patin métal caoutchouc .
C'est un véritable enfer à extraire .
La solution passe-t-elle par une destruction du patin métal caoutchouc et du boulon pour un remplacement par du neuf ? En prenant bien soin des pallier support ?
Si oui, ou me conseillez vous d'acheter ces pièces neuves ?
Par avance, merci .
Avatar du membre
Barbassu
Membre d'Honneur
Membre d'Honneur
Messages : 13456
Enregistré le : samedi 26 mai - 12:13
Localisation : 83 - La Sagno de mar

Message par Barbassu »

Salut

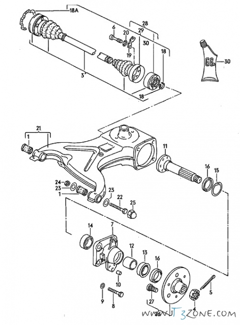
Image

Tu éjectes en force les vis (22) quitte à détruire les silent-bloc (1)
Tu remplaces par du neuf de bonne marque, comme ceci par exemple --> ICI <--

Les boulon (vis +écrou) doivent se trouver facilement chez un fournisseur de pièces auto, c'est du 6 pans M12x1,5x105.
Comme des coqs de combat, ils se dressent sur leurs ergots et montrent les dents
Quand la biche est aux abois, les cors sonnent l'alibi.
Les puces sont porteurs des plus dangereuse maladies. C'est pourquoi, quand un bateau arrive, il faut procéder à son dépucelage.
"La foire aux cancres" Jean-Charles. 1962
luke
Nouveau
Messages : 29
Enregistré le : mercredi 22 déc. - 15:00
Localisation : 29 - Cleden cap sizun

Message par luke »

Ok Merci .
Je vais faire ça .
Par contre pour éjecter en force, c'est une misère .
Il faut frapper de l'intérieur vers l'extérieur . Y'a pas masse de place .
Sans parler de la fixation la plus "interne" . Encore moins accessible ...
Mais bon, je vais m'en sortir .
Je suis rassuré quand à la méthode à employer :)
Je vous tient au jus dès que je m'y remet .

Petite question annexe : les mécanos actuels gèrent bien le réglage pincement carrossage du train arrière ?
Faut leur amener la doc ? :p
J'ai déjà eu pas mal de déboire avec ce genre de réglages chez Speedy/PointS et compagnie ...

Bonne soirée .

PS : Sur le site OSCARO, en fin de description de l'article est inscrit :
Veuillez exclusivement serrer à fond en pos. non chargée
Sur la doc, le réglage est indiqué comme étant à faire véhicule sur ses roues .
La marche a suivre est donc de desserrer, régler, pré-serrer, soulever, puis serrage définitif ?
Merci .
Avatar du membre
schamel01
Régulier
Régulier
Messages : 841
Enregistré le : mardi 27 oct. - 18:22
Localisation : 29

Message par schamel01 »

non tu serres "à l'assiette" autrement dit, le camion posé sur ses roues à vide et en ordre de marche.

Les silentblocs ont une bague intérieure crantée. Si tu serres roue pendante, ils seront en contrainte en permanence une fois le camion posé. ce qui les fatiguera bien plus vite.
"Your Volkswagen is not a donkey but the communication considerations are similar" John Muir
'81 2L CU Weinsberg Terra, resto complète en cours
Avatar du membre
chokmeister
P'tit Nouveau
P'tit Nouveau
Messages : 147
Enregistré le : vendredi 25 janv. - 16:53
Localisation : 67 - Haguenau

Message par chokmeister »

Si tes vis sont rouillées dans l'entretoise du silentbloc du va avoir le plus grand mal à les sortir.
Moi je les ai coupées et ensuite j'ai tout remis en neuf.
Avatar du membre
Vladrouille
Régulier
Régulier
Messages : 984
Enregistré le : jeudi 16 mai - 18:44
Localisation : 35 - Rennes

Message par Vladrouille »

ouais mais toi tu t'appelles "Chockmeister"... Yellow_Flash_Colorz_PDT_08
1600 ct, ça va pas vite mais ça y va... et en plus on revient !!
Avatar du membre
zygpapa
conseiller mecaELEK
conseiller mecaELEK
Messages : 8532
Enregistré le : vendredi 25 mai - 11:01
Localisation : Espagne/Portugal/Maroc/Landes, selon la température

Message par zygpapa »

chokmeister a écrit :Si tes vis sont rouillées dans l'entretoise du silentbloc du va avoir le plus grand mal à les sortir.
Moi je les ai coupées et ensuite j'ai tout remis en neuf.
Voilà qui m'intéresse aussi en ayant huit à remplacer. Comment as tu fait pour les couper sans abimer les ancrages oblonds sur la caisse. Dimitri le fait aussi. Luke tu l'as fait?
Suis preneur d'un photo reportage. :(;:
luke
Nouveau
Messages : 29
Enregistré le : mercredi 22 déc. - 15:00
Localisation : 29 - Cleden cap sizun

Message par luke »

Salut à tous !
Non je ne l'ai pas encore fait .
La je répare un nettoyeur haute pression qui va me servir à nettoyer mon châssis de T3 ...
Je comprend très bien ChokMeister ! Et ça me rassure un peu .
Franchement, c'est vraiment dur à enlever .
Surtout que le Caoutchouc amorti les tentative de frappe et empêche de tenter de faire tourner le boulon ...
Bref, encore un truc galère, je ne vois pas comment le faire dans les règles .
Si je coupe, déjà il faut couper aussi coté intérieur, je vois pas comment glisser une meuleuse, ça va être coupe a la lame de scie à métaux ...
Ensuite, il restera un moreau de boulon qui fera ergot sur la tranche de l'ancrage ... il va donc falloir écarter l'ancrage et le remettre en position après .
Ça ne pose pas de problème pour le réglage du pincement et du carrossage après ?
Merci !
Avatar du membre
zygpapa
conseiller mecaELEK
conseiller mecaELEK
Messages : 8532
Enregistré le : vendredi 25 mai - 11:01
Localisation : Espagne/Portugal/Maroc/Landes, selon la température

Message par zygpapa »

Ça fait un moment que je dois y passer avec en prime deux pneus droits bouffés à l'intérieur. M'est avis qu'il faut couper entre le silentbloc et les fixations, cotés intérieur donc. En attente des retours d'expérience.
Avatar du membre
chokmeister
P'tit Nouveau
P'tit Nouveau
Messages : 147
Enregistré le : vendredi 25 janv. - 16:53
Localisation : 67 - Haguenau

Message par chokmeister »

scie sabre !
Avatar du membre
schamel01
Régulier
Régulier
Messages : 841
Enregistré le : mardi 27 oct. - 18:22
Localisation : 29

Message par schamel01 »

zygpapa a écrit :Ça fait un moment que je dois y passer avec en prime deux pneus droits bouffés à l'intérieur. M'est avis qu'il faut couper entre le silentbloc et les fixations, cotés intérieur donc. En attente des retours d'expérience.
la douille du silent-bloc est en appui des deux cotés du support de triangle, si tu coupes à l'intérieur, tu couperas aussi la douille

quand j'ai tombé mes trains roulants, une vis était soudée par la rouille dans la douille du silent-bloc. Une fois l'écrou déposé, j'en suis venu à bout en chauffant la tête de vis, puis en laissant refroidir (à plusieurs reprises) et en jouant de la clé à choc et de la massette sans retenue.
La chauffe permet de "decoller" la rouille.
"Your Volkswagen is not a donkey but the communication considerations are similar" John Muir
'81 2L CU Weinsberg Terra, resto complète en cours
Avatar du membre
zygpapa
conseiller mecaELEK
conseiller mecaELEK
Messages : 8532
Enregistré le : vendredi 25 mai - 11:01
Localisation : Espagne/Portugal/Maroc/Landes, selon la température

Message par zygpapa »

Ok pour la chauffe, j'en suis convaincu depuis... un bail. Sauf que là, le caoutchouc va cramer avant que ce soit au rouge au milieu de la douille.
Douille du peu que j'en sais faisant partie intégrante du silentbloc, donc coupée ou pas, tout une fois démonté partant à la poubelle, on s'en fout non? En tout cas c'est le destin que suivirent ceux des bras inférieurs avant.
L'idée de la scie sabre me convient! y'a plus qu'à investir.
Avatar du membre
schamel01
Régulier
Régulier
Messages : 841
Enregistré le : mardi 27 oct. - 18:22
Localisation : 29

Message par schamel01 »

tu n'as pas besoin de chauffer au rouge. Moi c'est venu avec une série de chauffe/refroidissement avec une simple lampe à souder au butane.

mais oui en général si tu démontes ça, c'est pour changer les "caoutchouc" :(;:

la scie sabre sera difficile à manipuler car l'axe est très près du châssis de tout coté, donc obligé de bosser en bout de lame sous peine de taper dans la tôle et il y a très peu d'espace entre triangle et support.
"Your Volkswagen is not a donkey but the communication considerations are similar" John Muir
'81 2L CU Weinsberg Terra, resto complète en cours
Avatar du membre
zygpapa
conseiller mecaELEK
conseiller mecaELEK
Messages : 8532
Enregistré le : vendredi 25 mai - 11:01
Localisation : Espagne/Portugal/Maroc/Landes, selon la température

Message par zygpapa »

schamel01 a écrit :tu n'as pas besoin de chauffer au rouge. Moi c'est venu avec une série de chauffe/refroidissement avec une simple lampe à souder au butane. J'utilise un petit chalumeau oxygène/gaz à la flamme fine est très chaude, 1200°.

mais oui en général si tu démontes ça, c'est pour changer les "caoutchouc" :(;: Bé oui, vu qu'ils sont vieux est surtout auront plus ou moins brulés

la scie sabre sera difficile à manipuler car l'axe est très près du châssis de tout coté, donc obligé de bosser en bout de lame sous peine de taper dans la tôle et il y a très peu d'espace entre triangle et support. Je sais en ayant démontés sur une épave, mais les boulons n'étaient pas grippés
Avatar du membre
janmi
Membre Actif
Membre Actif
Messages : 2240
Enregistré le : samedi 25 nov. - 18:03
Localisation : 64 - Beuste

Message par janmi »

Voui! scie à métaux ou scie sabre c'est une des solutions.
Aprés il faudra percer les vieux silent bloc pour les extraires plus facilement ( alors il peuvent prendre un coup de chaud..).
Bonne mécanique! :smile:
elle est pas belle la vie??...
Avatar du membre
chokmeister
P'tit Nouveau
P'tit Nouveau
Messages : 147
Enregistré le : vendredi 25 janv. - 16:53
Localisation : 67 - Haguenau

Message par chokmeister »

Pour les extraires, il y a une solution radical pas très écolo avec le chalumeau, pour les brulé s'ils sont collés Yellow_Flash_Colorz_PDT_29
Avatar du membre
zygpapa
conseiller mecaELEK
conseiller mecaELEK
Messages : 8532
Enregistré le : vendredi 25 mai - 11:01
Localisation : Espagne/Portugal/Maroc/Landes, selon la température

Message par zygpapa »

chokmeister a écrit :Pour les extraires, il y a une solution radical pas très écolo avec le chalumeau, pour les brulé s'ils sont collés Yellow_Flash_Colorz_PDT_29
Solution pratiquée ne sait plus pour quelle occase: chauffer jusqu'à début de feu, puis alimenter la combustion à l'aide du chalumeau en oxygène seulement. Souvenir me revient: récupération d'embouts sertis sur durites haute pression....
Répondre