Couple de serrage moyeu arriere.

ici tout ce qui est relatif aux trains roulants, suspension, roulements, freins

Modérateur : Modérateurs

Répondre
Avatar du membre
Laurentg
Nouveau
Messages : 40
Enregistré le : mercredi 10 févr. - 13:02
Localisation : Orléans

Couple de serrage moyeu arriere.

Message par Laurentg »

Bonjour à tous

je cherche à connaitre le bon couple de serrage de l'écrou à créneaux du moyeu arrière de roue. J'ai un roulement qui grogne quand je prends un virage et uniquement dans ce cas là, pas quand je suis en ligne droite et donc je voudrais vérifier le bon couple de serrage.

Dans la RTA je lis 500 Nm mais j'ai vu passer des posts à droite à gauche où l'on dit que ce n'est pas suffisant et qu'il faut être à 600 ou 650 Nm.

Seriez-vous me dire ou me donner votre avis.

Merci
Modifié en dernier par Laurentg le mardi 01 févr. - 16:20, modifié 1 fois.
Avatar du membre
Barbassu
Membre d'Honneur
Membre d'Honneur
Messages : 13456
Enregistré le : samedi 26 mai - 12:13
Localisation : 83 - La Sagno de mar

Re: Couple de serrage moyeu arriere.

Message par Barbassu »

Laurentg a écrit : mardi 01 févr. - 10:52 Dans la RTA je lis 50 Nm mais j'ai vu passer des posts à droite à gauche où l'on dit que ce n'est pas suffisant et qu'il faut être à 60 ou 65 Nm.
50Nm ça donne 5Kg complètement insuffisant. Tu as oubliè un 0. 1 N m = 0,102 kgf m ; 1 kgf m = 9,81 N m
La RTA parle de 500Nm., soit 50kg. La dernière fois que je l'ai fait, j'ai du serrer, au pif, entre 500 et 600Nm :06:
Comme des coqs de combat, ils se dressent sur leurs ergots et montrent les dents
Quand la biche est aux abois, les cors sonnent l'alibi.
Les puces sont porteurs des plus dangereuse maladies. C'est pourquoi, quand un bateau arrive, il faut procéder à son dépucelage.
"La foire aux cancres" Jean-Charles. 1962
Avatar du membre
elgato_breton
Membre Actif
Membre Actif
Messages : 3443
Enregistré le : mercredi 11 juil. - 15:51
Localisation : 35 - RENNES

Re: Couple de serrage moyeu arriere.

Message par elgato_breton »

Laurentg a écrit : mardi 01 févr. - 10:52 Bonjour à tous

je cherche à connaitre le bon couple de serrage de l'écrou à créneaux du moyeu arrière de roue. J'ai un roulement qui grogne quand je prends un virage et uniquement dans ce cas là, pas quand je suis en ligne droite et donc je voudrais vérifier le bon couple de serrage.

Dans la RTA je lis 50 Nm mais j'ai vu passer des posts à droite à gauche où l'on dit que ce n'est pas suffisant et qu'il faut être à 60 ou 65 Nm.

Seriez-vous me dire ou me donner votre avis.

Merci
Tu prends une barre d'un peu plus d'un mètre au bout de ta douille, tu poses les deux pieds de quelqu'un qui pèse entre 55 et 60 Kg à un mètre sur la barre et ça fait le boulot impec. (ne pas sauter !!, juste le poids de la personne).
Avatar du membre
Laurentg
Nouveau
Messages : 40
Enregistré le : mercredi 10 févr. - 13:02
Localisation : Orléans

Re: Couple de serrage moyeu arriere.

Message par Laurentg »

Oups pardon oui 500Nm et 600 ou 650 Nm manquait un zéro !!

J'ai corrigé mon post initial


Donc ma question c'est à combien serrer ??? 500,600 ou 650 Nm ?
Avatar du membre
la_sardine
Membre d'Honneur
Membre d'Honneur
Messages : 7893
Enregistré le : mercredi 10 oct. - 19:44
Localisation : 13 - Le Rove

Re: Couple de serrage moyeu arriere.

Message par la_sardine »

Normalement il y a une goupille sur cet écrou, il n'est pas censé pouvoir se desserrer...
Si tu as du jeu tu pourras peut être palier le problème un moment en resserrant un peu mais à terme il faudra sûrement changer le roulement.
Avatar du membre
chataigne
Modérateur
Modérateur
Messages : 9204
Enregistré le : dimanche 09 mars - 10:11
Localisation : 42 - Charlieu (vers Roanne)

Re: Couple de serrage moyeu arriere.

Message par chataigne »

Il faut serrer très fort pour pas que ça se desserre.

Mais resserrer ne calera aucun jeu vunke montage de roulement.

En théorie il y a deux valeurs de couple en fonction de l'année. Mais perso je monte au bout de la barre, et ça doit faire plus que 500nm

Parce que t'as beau prendre une clef dynamométrique, à la fin tu serres à mort jusqu'à la prochaine encoche.

Si tu as du jeu, il y a un probabilité non négligeable que ça vienne du porte roulement
Avatar du membre
Laurentg
Nouveau
Messages : 40
Enregistré le : mercredi 10 févr. - 13:02
Localisation : Orléans

Re: Couple de serrage moyeu arriere.

Message par Laurentg »

D'accord merci à tous pour vos msgs
Avatar du membre
BSA
Occasionnel
Occasionnel
Messages : 182
Enregistré le : samedi 13 juin - 10:13
Localisation : 33 - Pessac

Re: Couple de serrage moyeu arriere.

Message par BSA »

Bonjour LaurentG

Dans le manuel de réparation disponible sur le site, le couple de serrage dépend du nombre de créneaux sur ton écrou.
Je ne sais pas pourquoi.
Extrait du manuel de réparation :
Couple serrage écrou moyeu arrière
Couple serrage écrou moyeu arrière
CoupleSerrage.jpg (87.52 Kio) Vu 8095 fois
Bernard
Avatar du membre
chataigne
Modérateur
Modérateur
Messages : 9204
Enregistré le : dimanche 09 mars - 10:11
Localisation : 42 - Charlieu (vers Roanne)

Re: Couple de serrage moyeu arriere.

Message par chataigne »

Ce qui suit n'est que mon avis

parce que le montage est pas terrible, et quand VW a du commencé à voir arriver les premiers problèmes, ils ont chercher une solution applicable en production, et le plus simple a été de dire "y a qu'à serrer plus fort".

Le montage date des T2, moins lourds et moins puissants. tout l'effort axial est repris par la gorge du seul roulement, roulement monté plus ou moins serré dans le logement.
Par contre pouruqoi serrer plus fort ? Est-ce que le serrage va venir contraindre un peu plus fort la bague intérieure du roulement qui va "s'expanser" ?
Dans tous les cas, on est loin du montage rigoureux avec des roulements coniques. A titre de comparaison, il faut regarder comment sont montés les roulements des utilitaires traction 3T5 comme un Ducato (charge sur essieu comparable au T3) : roulements coniques montés avec mesure précise et calage du jeu
Avatar du membre
Laurentg
Nouveau
Messages : 40
Enregistré le : mercredi 10 févr. - 13:02
Localisation : Orléans

Re: Couple de serrage moyeu arriere.

Message par Laurentg »

Bon et bien le serrage n'a rien changé....je m'y attendais un peu...j'entends mins ce grognement, frottement quand je suis en appui (virage) sur la roue ARG mais il est toujours présent....je vais être bon pour changer le roulement bizarre quand même en manipulant la roue j'ai un tout petit jeux mais pas de bruit. Question peut être idiote mais est-ce que cela pourrait être un bruit de frottement d'une mâchoire de tambour de frein ou de frein de parking (c'est vrai que j'ai retendu le câble de frein à main dernièrement....)
Avatar du membre
lamothe
Membre Actif
Membre Actif
Messages : 2290
Enregistré le : lundi 17 déc. - 12:58
Localisation : 64
Contact :

Re: Couple de serrage moyeu arriere.

Message par lamothe »

J'ai eu un bruit métallique ressemblant au tien.
Il venait d'un jeu de roulement provenant d'une usure du carter de roulement.
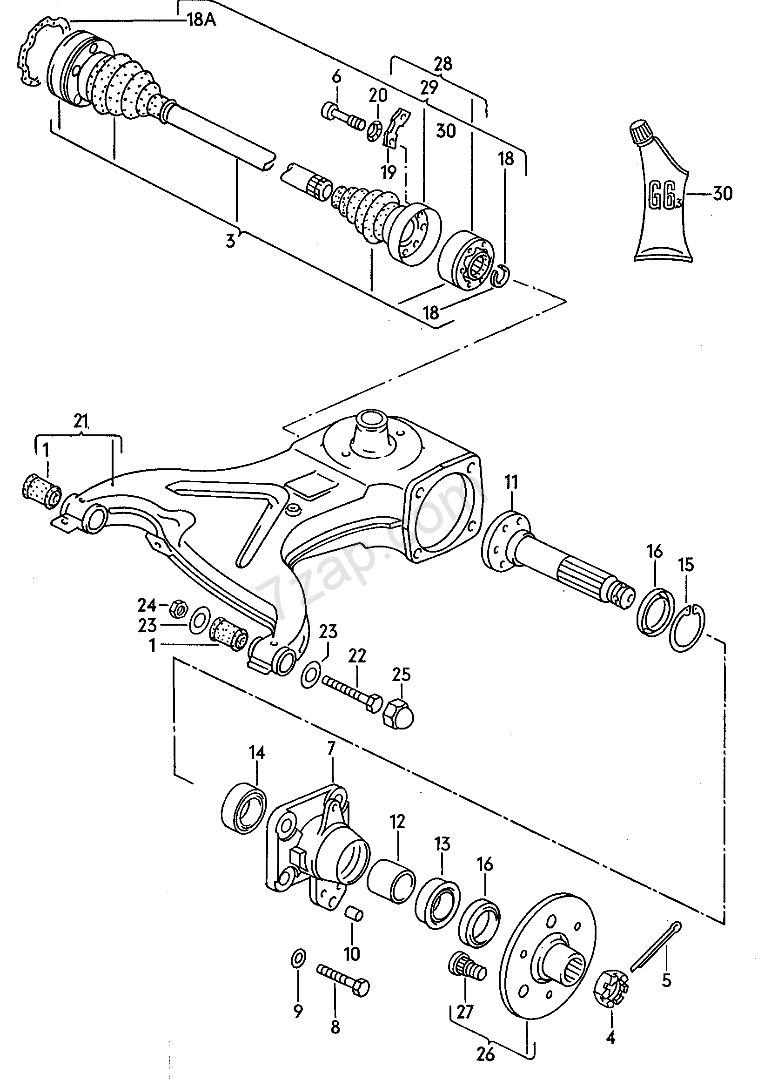
Cela avait pour conséquence que le tambour touchait la flasque 9 du schéma ci dessous.
Le bruit n'apparaissait que lorsque je tournais d'un côté.
Resized_1645472606074_27921265527483.jpeg
Resized_1645472606074_27921265527483.jpeg (118.45 Kio) Vu 8046 fois
L'énergie est mon avenir, économisez la...
Avatar du membre
Jeanjj
Régulier
Régulier
Messages : 690
Enregistré le : jeudi 26 sept. - 15:51
Localisation : Blaisy bas

Re: Couple de serrage moyeu arriere.

Message par Jeanjj »

Lève la roue et fait la tourner à la main, tu sauras si ça vient du serrage du frein à main
Ma maison : un tôlé ridiculement nommé Pupuce :viewtopic.php?f=18&t=98255
Avatar du membre
Laurentg
Nouveau
Messages : 40
Enregistré le : mercredi 10 févr. - 13:02
Localisation : Orléans

Re: Couple de serrage moyeu arriere.

Message par Laurentg »

lamothe a écrit : lundi 21 févr. - 20:47 J'ai eu un bruit métallique ressemblant au tien.
Il venait d'un jeu de roulement provenant d'une usure du carter de roulement.
Cela avait pour conséquence que le tambour touchait la flasque 9 du schéma ci dessous.
Le bruit n'apparaissait que lorsque je tournais d'un côté. Resized_1645472606074_27921265527483.jpeg
Le carter de roulement....je ne comprends pas tu parles de la cage de roulement ? Quelle a été ta solution au problème ?
Avatar du membre
lamothe
Membre Actif
Membre Actif
Messages : 2290
Enregistré le : lundi 17 déc. - 12:58
Localisation : 64
Contact :

Re: Couple de serrage moyeu arriere.

Message par lamothe »

Je parle de jeu du carter 7 sur le schéma. Du coup le roulement flottait à l'interieur.
Dans les virages, la roue prenait un angle dû à l'effort sur celle ci et qui était amplifié par le jeu.
Du coup, le tambour (16) venait frotter la flasque (9).
Le rotor touchait le stator.
Resized_1645558369885_48778243312866.jpeg
Resized_1645558369885_48778243312866.jpeg (105.2 Kio) Vu 8005 fois
L'énergie est mon avenir, économisez la...
Avatar du membre
chataigne
Modérateur
Modérateur
Messages : 9204
Enregistré le : dimanche 09 mars - 10:11
Localisation : 42 - Charlieu (vers Roanne)

Re: Couple de serrage moyeu arriere.

Message par chataigne »

On incrimine souvent le roulement alors que c'est le porte roulement qui finit par s'ovaliser
Avatar du membre
lamothe
Membre Actif
Membre Actif
Messages : 2290
Enregistré le : lundi 17 déc. - 12:58
Localisation : 64
Contact :

Re: Couple de serrage moyeu arriere.

Message par lamothe »

chataigne a écrit : mardi 22 févr. - 21:40 On incrimine souvent le roulement alors que c'est le porte roulement qui finit par s'ovaliser
Exact c'etait mon cas.
Le roulement neuf fut soudé au carter car il me restait encore 5/6000km pour rejoindre la France.
Mais une fois soudé, plus jeu et donc plus de bruit de frottement métallique.
L'énergie est mon avenir, économisez la...
Avatar du membre
Laurentg
Nouveau
Messages : 40
Enregistré le : mercredi 10 févr. - 13:02
Localisation : Orléans

Re: Couple de serrage moyeu arriere.

Message par Laurentg »

ok d'accord je comprends mieux....donc en toute logique je devrais voir en démontant les traces sur le flasque ou sur le tambour en démontant.
Dans tous les cas je pense changer le roulement mais effectivement si le porte roulement est mort cela ne va pas servir à grand chose... Est-ce qu'un porte roulement cela se trouve ? j'imagine que oui !

Merci en tout cas pour l'explication détaillée très utile.

Et donc tu as fini par tout changer aussi roulement et porte roulement une fois terminé ton périple ou as tu laissé le roulement soudé ?
Avatar du membre
Barbassu
Membre d'Honneur
Membre d'Honneur
Messages : 13456
Enregistré le : samedi 26 mai - 12:13
Localisation : 83 - La Sagno de mar

Re: Couple de serrage moyeu arriere.

Message par Barbassu »

Salut.
Bien sur que ça se trouve. Retiens bien l'adresse c'est un bon site. :06:

https://van-quality-parts.fr/train-arri ... iere-.html
Comme des coqs de combat, ils se dressent sur leurs ergots et montrent les dents
Quand la biche est aux abois, les cors sonnent l'alibi.
Les puces sont porteurs des plus dangereuse maladies. C'est pourquoi, quand un bateau arrive, il faut procéder à son dépucelage.
"La foire aux cancres" Jean-Charles. 1962
Avatar du membre
sevye31
Occasionnel
Occasionnel
Messages : 438
Enregistré le : dimanche 16 oct. - 18:55
Localisation : 31- Toulouse

Re: Couple de serrage moyeu arriere.

Message par sevye31 »

Barbassu a écrit : jeudi 24 févr. - 18:23 Salut.
Bien sur que ça se trouve. Retiens bien l'adresse c'est un bon site. :06:

https://van-quality-parts.fr/train-arri ... iere-.html
je confirme, c'est là que j'ai pris les miens, bon investissement
Répondre